Controlador solar MMZ
Código: 700851
Descripción
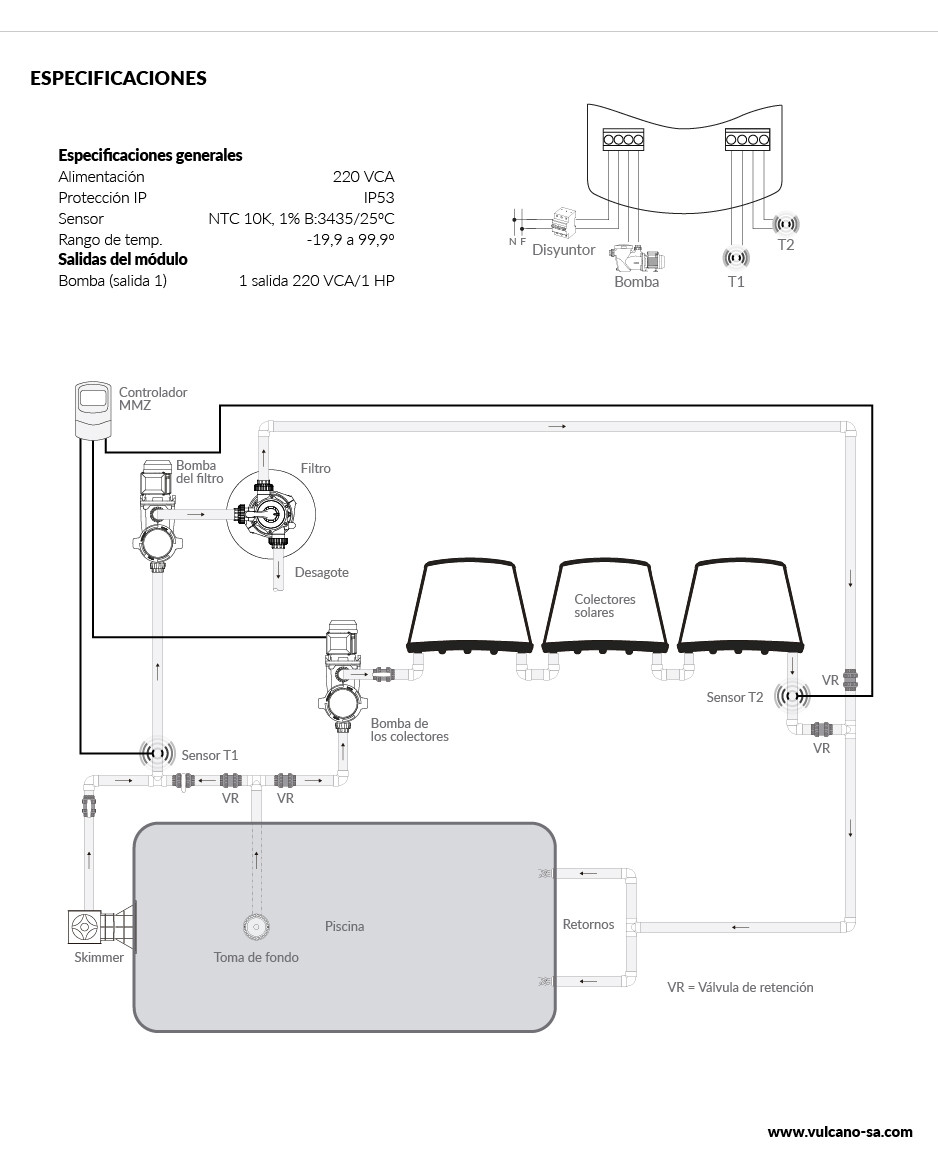
Controlador Solar Vulcano. Automatiza el calentamiento de la piscina actuando con 2 sensores (incluidos) y disponiendo de funciones de anti congelamiento y sobrecalentamiento.
Emplea un display LCD con teclas touch screen que indican la temperatura, el estado y el modo de funcionamiento de la salida.
Encontrá tu tienda
Especificaciones
Repuestos
Productos similares
Especificaciones
Repuestos
No existen repuestos asociados a este producto.
Productos similares
También te puede interesar



